Przejdź do głównej treści
Zamknij wyszukiwarkę Wyczyść Szukaj
Produkty w koszyku: 0. Zobacz szczegóły

Twój koszyk jest pusty

AGROSZYSZKA

+48 29 760 32 96, 508 677 778

pn-pt 8:00-17:00, sob 8:00-14:00



+48 508 677 778 (WhatsApp)

+48 797 310 860 (WhatsApp)


CIĄGNIKI, MASZYNY UŻYWANE


+48 500 141 045 (WhatApp)

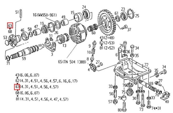
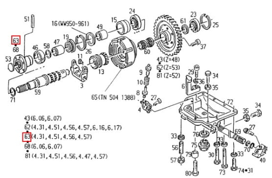
Flansza przystawki Deutz 04342677

Flansza przystawki Deutz 04342677

Przejdź do pełnego opisu
Cena 339,00 zł
Podaj ten kod pytając o produkt
Dostępność:
zapytaj o dostępność i cenę
Strona nie odzwierciedla aktualnego stanu magazynowego - potwierdź dostępność

Opis

Flansza przystawki Deutz 04342677

zębów wew. 16
średnica 35,2mm
ilość otworów montażowych 6

Bezpieczeństwo produktu

Importer

produkt wprowadzony do obrotu na terenie UE przed 13.12.2024 roku

nt

nt nt, Polska

nt@pl.pl